エレクトロニックコマース用非接触型ICカードの技術開発

Development of The Contactless IC Card for Electronic Commerce


陸田 耕吾 1)林 義昭 2)
Kogo MUTSUDAYoshiaki HAYASHI

1)
財団法人ニューメディア開発協会 開発本部システム開発部(〒108-0073 東京都港区三田1−4−28三田国際ビル23階 E-mail : mutsuda@nmda.or.jp)
2)
大日本印刷株式会社 CBS開発本部カードシステム第一部(〒141-0031 東京都品川区西五反田3−6−21 E-mail : Hayashi-Y2@mail.dnp.co.jp)

ABSTRACT. We have developed the first contactless IC card compatible with the ISO/IEC 10536 international standard (international standard for up to 2mm close-coupling type IC cards). The main features of this IC Card is its lack of contacts; data is transmitted by electromagnetic induction and is compatible with the software developed for the contact-type IC card (ISO/IEC7816 series),which is widely used. Regarding the encryption processing specified in the security section of the EMV sepcifications for international credit cards (EuroPay/Master Card/ Visa Card),both the DES code (key length 64 bits) and the RSA code (key length 576 bits) can be used. Therefore, the card is expected to make a great contribution to the implementation of electronic commerce using IC cards as electronic cash.

1. 背景

セキュリティ機能、個人認証機能等を特徴とするCPU付ICカードは、リーダ・ライタとのデータ送受信時に接点を介して行う「外部端子付ICカード」と、電磁誘導等により行う「非接触型ICカード」に大別される。

「外部端子付ICカード」については国際標準規格が制定され、国内では日本工業規格が制定・施行されている。

一方、「非接触型ICカード」は上記の間隔が数mm程度の「密着型ICカード」とそれ以上の間隔の「リモート式ICカード」に分類される。このうち「密着型ICカード」については国際標準規格の制定作業がほぼ完了した状況となっている。

2.目的

本プロジェクトでは、国際標準化機構において国際標準規格ISO/IEC10536が制定されつつある「密着型ICカード」の技術開発を目的とする。

このため、国際標準規格ISO/IEC10536ー1、2、3、4およびISO/IEC7816ー4を遵守して密着型ICカードおよびリーダ・ライタに関する実装規約書を作成し、これに基づいて密着型ICカードの設計・試作・検証評価を実施する。

3.プロジェクトの内容

(1) 実装規約書

外部端子付ICカードや密着型ICカード等のCPU付ICカードを対象にした国際標準規格は、ICカードの物理特性、電気特性、通信仕様等を規定しているが、このうち、通信仕様、コマンド仕様等は複数の仕様が選択肢として設定されている。

このため、国際標準規格に準拠した密着型ICカードを設計開発する場合には、国際標準規格からICカードが準拠すべき仕様を選択する必要がある。その結果、国際標準規格に準拠した密着型ICカードでありながら、製品毎に互換性が確保されないという事態になる。

そこで、ICカードの互換性を確保するために、国際標準規格を補足すべき規格・規約を実装規約書として作成することにした。(図3.1参照)

(2) 密着型ICカードの構成、仕様

上記実装規約書にもとづいて開発した密着型ICカードの内部構成(図3.2参照)および各コンポーネントの概要は次の通りである。また、密着型ICカードの技術的仕様を表3.1に示す。

国際標準規格と実装規約
図3.1 国際標準規格と実装規約

a)コイル@、コイルA

銅箔の厚さは35ミクロンで各20巻とし、配線の幅は254ミクロンである。

コイル@およびAに対するリーダ・ライタによる励起磁界から、150mWを越えない電力を取り出す役割を持つ。各コイルは外部との電磁誘導によるデータ送信・受信の役割も持つ。

b)RF-IC

アナログ回路チップとも呼ばれており、コイルにより励起された誘導磁界よりマイコンの動作に必要な電力、データ通信のための信号を生成する。

c)チップコンデンサ

密着型ICカードを構成するRF-ICとマイコンに、必要な安定電源を供給するための部品である。RF-ICの電圧は4.5V、マイコンの電圧は3.3Vである。

d)マイコン

高セキュリティ機能を実現するCPUと情報を記憶するEEPROM(電気的書き換え可能ROM)から構成されるチップである。今回は電子マネーや電子商取引に必要な暗号処理計算を高速で行えるようにするために、剰余計算機能を付加した。公開鍵暗号方式RSAで、鍵の長さ576ビットの場合の計算時間は1秒以下である。

ROMは16Kバイト、RAMは512バイト、EEPROMは8Kバイトの容量である。

ベアチップを搭載したサンプル
図3.2 ベアチップを搭載したサンプル

表3.1 技術的仕様
技術的仕様

(3) 密着型ICカード用ハードウェア

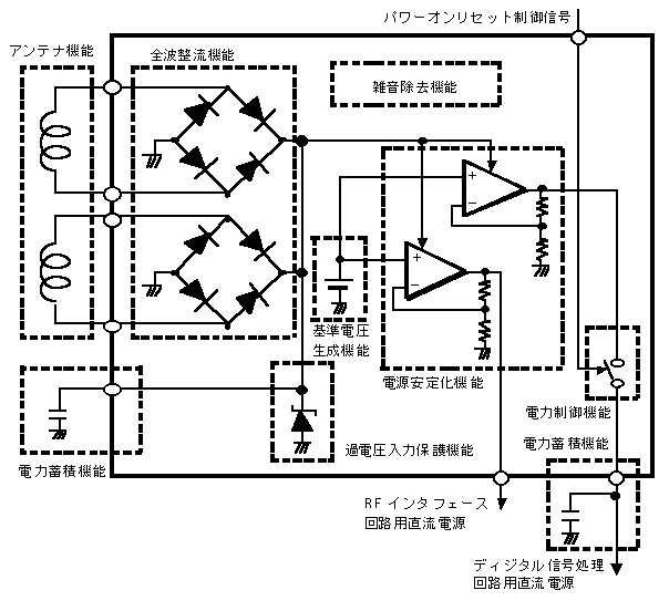
密着型ICカードには、「アンテナ機能」「RFインタフェース機能」およびマイコン部による「ディジタル信号処理機能」からなるハードウェアと、「データ伝送処理機能」「コマンド処理機能」「ファイル生成・管理機能」および「セキュリティ機能」からなるソフトウェアがある。

ハードウェアの主な機能を図3.3に示す。

密着型ICカード構成図
図3.3 密着型ICカード構成図

(4) RFインタフェース機能

アンテナ機能に対応したRFインタフェース機能を実現するため、RFインタフェース回路チップの開発を行った。この機能を実現できるRFチップが存在しなかったため、この実現に向けて各機能の基準値を決定した。

このうち、非接触電力伝送機能を実現するための構成は図3.4による。

非接触電力伝送機能等価回路
図3.4 非接触電力伝送機能等価回路

(5) ディジタル信号処理機能

RFインタフェース機能を実現する回路チップと対応して、データの入出力処理機能を実現するディジタル信号処理回路の開発を行った。この回路には既存のCPUチップに無い剰余計算機能(コプロセッサ)を付加し、エレクトロニックコマース用の高セキュリティ機能を実現することとした。

ディジタル信号処理機能を実現するための構成は図3.5による。

ディジタル信号処理機能
図3.5 ディジタル信号処理機能

(6) 密着型ICカードのコマンド

前記の実装規約書では、表3.2に示すコマンドを規定しており、ISO/IEC7816-4で規定されるコマンドをユーザコマンド、ISO/IEC7816-4で規定されないコマンドを準システムコマンドとしている。

表3.2 コマンド一覧表
コマンド一覧表

4.活動成果

(1) 実装規約書

国際標準規格ISO/IEC10536ー1、2、3、4より必要機能を抽出して規定値をまとめ、さらに、これを補足すべき仕様も決定して実装規約書とした。この実装規約書は、密着型ICカード間およびICカードとリーダ・ライタ間の互換性を保ち相互運用性を確保するために公開する予定である。

(2) 密着型ICカード

国際標準規格ISO/IEC10536に準拠した密着型ICカードを開発した。このICカードは電磁誘導によってデータ通信等を行うので端子が存在しないが、外部端子付きICカードと応用ソフトウェアから見た互換性があり、またDES暗号およびRSA暗号を使用することができる。

(3) 技術的成果

本技術開発における新しい技術的成果としては、アンテナ機能に対応したRFインタフェース回路チップの開発および剰余計算機能付きディジタル信号処理回路の開発があげられる。RFインタフェース回路チップの開発では、この機能を実現できるRFチップが存在しなかったため、この実現に向けて各機能の基準値を決定して開発した。

また、ディジタル信号処理回路の開発では、既存のCPUチップに無い剰余計算機能(コプロセッサ)を付加し、高セキュリティ機能を実現することができた。

5.参加企業および機関

(財)ニューメディア開発協会

大日本印刷(株)

(株)日立製作所

デンソー(株)

三菱電機(株)

(株)富士総合研究所

6.参考文献

(1)
電子商取引実証推進協議会:ICカードの現状調査報告書(平成9年5月)

(2)
ICカードシステム利用促進協議会:日本工業規格準拠 JICSAP外部端子付きICカード仕様(平成9年9月)

(3)
日本工業出版:月刊バーコード2月号(1998.2 VOL.11 NO.2)


禁無断転載
(C) NMDA. All rights reserved.